Nội dung
Bản vẽ kết cấu móng bè giúp cho gia chủ, kiến trúc sư, nhà thầu có thể nắm rõ được cấu tạo, thi công như thế nào. Dựa trên đó có thể an tâm chọn lựa móng bè cho công trình của mình. Móng bè là gì? Cấu tạo móng bè là như thế nào? Cùng xem ngay nội dung sau đây của KASAI để nắm rõ nhé!

Móng bè là gì?
Móng bè là loại móng được thiết kế dưới dạng tấm bê tông cốt thép trải rộng trên diện tích móng, giúp phân bổ đều tải trọng từ công trình xuống nền đất. Chính vì vậy, nó giúp giảm áp lực tập trung lên một điểm sẽ phù hợp với các khu vực có đất nền yếu hoặc không đồng nhất.
Thành phần chính của móng bè
Móng bè thường bao gồm các thành phần chính như sau:
- Bê tông lót: Giúp làm sạch mặt đất, chống xâm thực từ các yếu tố bên ngoài và tạo nền móng vững chắc.
- Thép cốt: Được sử dụng để gia cố bê tông, tạo sự liên kết và tăng cường độ chịu lực.
- Giằng móng: Giúp phân bổ đều tải trọng và giữ cho móng không bị biến dạng dưới tác động của tải trọng từ công trình.

Lợi ích của móng bè
Khả năng chịu tải lớn
Một trong những lợi ích lớn nhất của móng bè là khả năng chịu tải trọng lớn. Với cấu tạo đặc biệt, móng bè phân bố đều tải trọng lên diện tích rộng, giúp tránh tình trạng lún cục bộ và đảm bảo sự ổn định cho công trình.
Phù hợp với nhiều loại địa hình
Loại móng này đặc biệt phù hợp với những khu vực có nền đất yếu hoặc không đồng nhất. Nhờ khả năng phân bố đều tải trọng, móng bè giúp giảm áp lực lên một điểm cụ thể, tránh nguy cơ sụt lún và phá vỡ cấu trúc nền đất.
Thi công dễ dàng
Việc thi công móng bè tương đối đơn giản và không đòi hỏi quá nhiều kỹ thuật phức tạp. Điều này giúp tiết kiệm thời gian và chi phí, đồng thời giảm thiểu rủi ro trong quá trình xây dựng.
» Xem thêm: Móng đơn là gì? Cấu tạo, hình ảnh chi tiết
Quy trình thi công móng bè
Bước 1: Chuẩn bị mặt bằng
Trước khi bắt đầu thi công , việc chuẩn bị mặt bằng là rất quan trọng. Các bạn cần đảm bảo mặt bằng phải được san lấp phẳng và sạch sẽ, loại bỏ hết các yếu tố gây cản trở như cây cỏ, đá lớn,…
Bước 2: Đổ bê tông lót
Sau khi chuẩn bị mặt bằng, lớp bê tông lót được đổ lên toàn bộ diện tích móng. Lớp bê tông này giúp chống xâm thực từ các yếu tố bên ngoài và tạo nền móng vững chắc.
Bước 3: Gia cố thép
Thép cốt được lắp đặt theo thiết kế, đảm bảo sự liên kết chặt chẽ và tăng cường độ chịu lực cho móng. Khi thực hiện cần chú ý đảm bảo khoảng cách giữa các thanh thép và độ dày của thép theo đúng tiêu chuẩn kỹ thuật.
Bước 4: Đổ bê tông chính
Bê tông chính được đổ lên toàn bộ diện tích móng, đảm bảo độ dày và chất lượng của bê tông theo yêu cầu thiết kế. Để tránh tình trạng bê tông không đều hoặc bị rỗng cần kiểm tra kỹ lưỡng.
Bước 5: Bảo dưỡng móng
Sau khi đổ bê tông, việc bảo dưỡng móng là rất quan trọng. Bạn nên giữ cho bề mặt bê tông luôn ẩm ướt trong suốt quá trình bảo dưỡng để tránh tình trạng nứt nẻ và đảm bảo độ bền cho móng.

» Tìm hiểu: Móng băng 2 phương là gì?
Lưu ý khi thi công móng bè
Đảm bảo công tác đất
Công tác đất phải được thực hiện một cách cẩn thận và chính xác. Việc san lấp và đầm chặt nền đất cần được thực hiện đúng kỹ thuật để đảm bảo móng bè không bị lún hay biến dạng sau này.
Kiểm tra chất lượng bê tông và thép
Chất lượng của bê tông và thép tác động trực tiếp đến độ bền cũng như khả năng chịu lực của móng bè. Cần phải lựa chọn vật liệu đạt tiêu chuẩn và kiểm tra kỹ lưỡng trước khi thi công.
Tuân thủ thiết kế kỹ thuật
Khi thi công móng bè cần tuân thủ chính xác theo thiết kế kỹ thuật đã được phê duyệt. Tránh việc tự ý thay đổi thiết kế hoặc sử dụng kinh nghiệm cá nhân mà không có sự đồng ý của các chuyên gia.
Đảm bảo độ sâu chôn móng
Độ sâu chôn móng phải đảm bảo theo đúng thiết kế để tránh tình trạng ngôi nhà bị nghiêng hoặc lún sau khi hoàn thành. Việc thi công đúng độ sâu cũng giúp bảo vệ móng khỏi các yếu tố môi trường bên ngoài.
Kiểm tra nền đất
Nền đất cần được kiểm tra kỹ lưỡng để đảm bảo đủ độ cứng và khả năng chịu tải. Ngoài ra, còn giúp giảm thiểu nguy cơ lún móng và chắc chắn tính bền vững cho công trình.

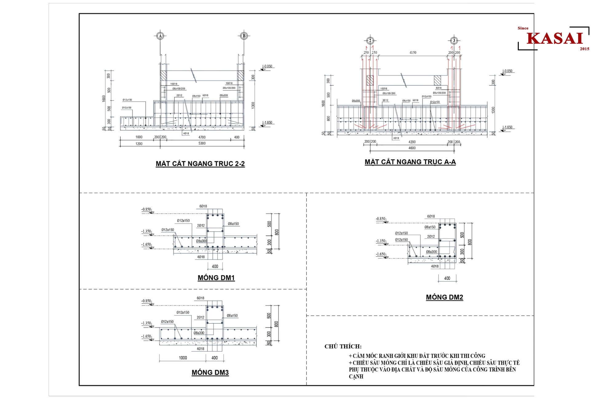
Bản vẽ kết cấu móng bè


Hình ảnh móng bè



Câu hỏi thường gặp về móng bè
Móng bè phù hợp với loại công trình nào?
Loại móng này thường được sử dụng cho các công trình có tải trọng lớn hoặc xây dựng trên nền đất yếu. Nó phù hợp với nhà cao tầng, biệt thự và các công trình công nghiệp.
Tại sao nên chọn móng bè thay vì các loại móng khác?
Móng bè có khả năng phân bố đều tải trọng lên diện tích rộng, giảm thiểu rủi ro lún móng và đảm bảo tính ổn định cho công trình. Loại móng này dễ thi công và tiết kiệm được ngân sách nhân công, thời gian cho gia chủ.
Móng bè có nhược điểm gì không?
Tất nhiên là có, ngân sách cho phần vật liệu thi công móng bè có thể cao hơn so với các loại móng khác bởi phải cần nhiều bê tông và thép. Mặt khác, móng này có ưu diểm về độ bền và khả năng chịu tải trọng lớn vượt trội hơn.
Làm thế nào để đảm bảo móng bè không bị lún?
Để đảm bảo móng không bị lún, cần kiểm tra kỹ lưỡng nền đất và tuân thủ đúng quy trình thi công. Chất lượng bê tông và thép cũng cần được đảm bảo theo tiêu chuẩn kỹ thuật.
Với khả năng phân bố đều tải trọng và đảm bảo độ bền vững cho công trình, móng bè là lựa chọn hàng đầu cho những ngôi nhà và công trình lớn. Hãy tham khảo để thực hiện đúng quy trình thi công và kiểm tra kỹ lưỡng theo những mẹo KASAI chia sẻ để đảm bảo chất lượng và sự an toàn cho ngôi nhà của bạn.
Thông tin liên hệ và báo giá
- Liên hệ: 0931393270 – 0972903570
- FACEBOOK: https://www.facebook.com/Ceoluuhonglam/
- FANFAGE: https://www.facebook.com/xaydungkasai
- WEBSITE: https://kasai.com.vn/ – https://thietkenhakasai.com/
- ZALO: 0931393270 – 0972903570
Địa chỉ chi nhánh:
- Đà Nẵng: 62 Xuân Thủy – Cẩm Lệ – Đà Nẵng
- Hà Nội CN1: Số 80 đường Đa Phúc, xã Đa Phúc, thành phố Hà Nội
- Hà Nội CN2: Tòa nhà BRC, số 5/76 Trần Thái Tông, phường Nghĩa Đô, Hà Nội
- Hà Nội CN3: Tầng 4, Tháp B1 Roman Plaza, Tố Hữu, phường Xuân Phương, Hà Nội
- Hải Phòng: 16 lô 3B KĐTM Lê Hồng Phong, phường Ngô Quyền, TP. Hải Phòng
- Nghệ An CN1: 23 Nguyễn Phong Sắc, phường Trường Vinh, TP. Vinh, tỉnh Nghệ An
- Nghệ An CN2: 42 Phan Đình Phùng, phường Thành Vinh, TP. Vinh, tỉnh Nghệ An
- Hà Tĩnh CN1: Tầng 6 – Bình Thủy Building, 24A đường Phan Đình Phùng, phường Thành Sen, TP. Hà Tĩnh
- Hà Tĩnh CN2: 570 Đ. Lê Đại Hành, phường Sông Trí, TX. Kỳ Anh, Hà Tĩnh
- Quảng Trị (trước thuộc Quảng Bình): 136 Lý Thường Kiệt, phường Đồng Hới, TP. Đồng Hới, tỉnh Quảng Trị
- Hồ Chí Minh CN1: 142 Võ Văn Tần, phường Xuân Hòa, TP. Hồ Chí Minh
- Hồ Chí Minh CN2: Tầng 9 – 85 Cách Mạng Tháng Tám, phường Bến Thành, TP. Hồ Chí Minh
- CN Tây Nguyên: 181 Ama Khê, Buôn Ma Thuột, Đắk Lắk
